方案说明
XGKF-DX12-35~550KV系列高压带电显示闭锁装置适用于电压等级为35KV、126KV、252KV、363KV、550KV,频率为50Hz或60Hz的高压开关设备上和高压电路中,用于对电路验电,提供输出信号(通过电磁锁)对相关操作机构进行强制闭锁;用于线路电压监视、高压配电装置场强测量、向线路继电保护装置输出场强模拟量信号做为重合闸无压鉴定判据、低电压报警、接地线断路检测或通过辅助控制回路实现高压线路的自动切换,给微机闭锁系统提供信号等。是实现“五防”的理想设备之一。
方案特点
● 安全可靠。本装置传感器与高压线路或设备不直接接触,装设在各个电压等级的安全区内,一次线路保证安全。
● 线路采用模块结构,检查更换方便。用户安装无需停电,维护简单。
● 性能稳定、抗干扰能力强。
● 电路设计先进,制造工艺精细,具有高稳定性和高可靠性。设有滤除过压,高频信号等 有害噪声的滤波电路。
● 电器指示稳定,选用宽范围开关电源供电,工作不受电源电压波动的影响。
适应场所
● GIS金属封闭组合电器;
● 变电站的总线,供电线的引出、引入线及高压线路;
● 实验室的高压线路,实验回路的高压、超高压线路;
● 如电缆终端、断路器进出线、接地开关进线侧、隔离开关进出线、变压器的进出线侧等一次设备的母线上。
结构工作原理图
型号说明
户外安装示意图
户内、外喷塑挂装德国机柜(见下图)
本机柜为德国进口,可用膨胀螺栓安装在墙上,也可挂装在槽钢及水泥立柱抱箍横担上。规格为500×400×210mm。能单相、双相、三相显示,三对常开常闭接点输出。单相场强模拟量输出。输入、输出电缆从机柜下部通过密封接头输出。
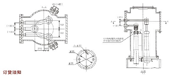
户内柜体安装外形图及开口尺寸(单位:mm)
感应传感器安装示意图与母线距离
主要技术参数
户外柜体安装接线图
户内柜体安装接线图
GIS电缆终端连接图
订货须知
●根据电网实际情况确定产品的电压等级,规格型号(户内、户外;单相、双相、三相;判定型、场强模拟量输出型)。
●明确现场可以外接工作电源电压(直流或交流及电压值)。
●明确安装位置,各种机柜进出线规格按要求配置线径及长度。
●感应传感器到显示器之间信号电缆长度按要求配置。