方案说明
本方案应用XGKF-DB-I系列智能低压电动机保护控制器,具有极高的性价比,将先进的网络通讯技术和分布式智能技术融入MCC控制中心中,真正实现了智能检测控制与保护。采用32位工业级高速芯片。集保护、测量、控制、故障记录及网络通讯于一体,体积小、重量轻、量程宽、功能强的智能低压电动机保护控制器。提供5路开关量输入、5路继电器输出,能实现多种启动方式和控制输出。
XGKF-DB-I系列智能低压电动机保护控制器对电动机运行进行监测与保护,并通过装置的通讯功能结合上位机监控系统,实现对电动机的智能化监测及保护。
方案特点
●适用于380V电压系统(应用于127V、660V等系统时需特殊定货);
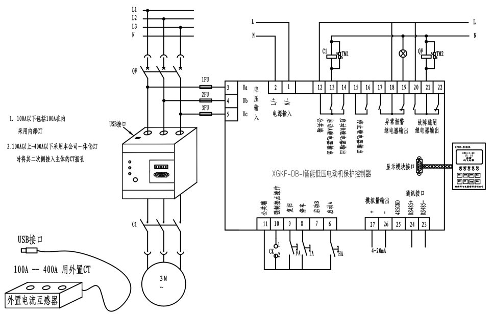
●自带精密电流互感器(当电流大于100A时,可选择本公司的150A、200A、250A、300A及400A的外接式一体化电流互感器并通过CT口与主机相连接)、电压互感器,内部计算零序电流,无需外加零序电流互感器;
●对模拟量输入、开关量输入和输出器件,其内部具有完善的电气和安全隔离;
●5路开关量遥信输入,遥信输入分为:无源输入(装置自带DC12V)、有源输入(交直流220V)可选;
●5路继电器输出,其中2路常开常闭转换接点、3路常开接点,满足多种启动方式和保护动作;
●4次故障记录,可向DCS提供1路4~20mA模拟量输出,启停控制记录;
●具有多种数字式保护功能;
●支持MODBUS通讯规约
●测量电流、电压等多种参数;
●采用开关电源供电,适用交流、直流电源;
●可以外接独立的显示模块单元进行设定、控制、查看等操作;
●卡式导轨固定,现场安装更加便利。
保护功能
启动时间长保护
定时限过负荷保护
反时限过负荷保护
堵转保护
电流不平衡保护
接地保护
欠电压保护
过电压保护
过热保护
断相保护
欠电流保护
电压回路断相保护
tE时间保护
控制功能
提供电动机的直接启动、双向启动、星/三角启动等多种控制方式,具有电平、脉冲、保持等输入输出方式
辅助功能
欠压重启动功能;
状态量监测;
自动记录最近4次跳闸事故发生时的故障类型、故障时间、电压值及电流值等相关信息;
三相电流及功率因数中的任一个量的4~20mA模拟量输出;
MODBUS-RTU通讯功能。
测量功能
测量三相电流、相电压、线电压、正序电流、负序电流、零序电流、有功功率、无功功率、功率因数、有功电度及无功电度等多种电气量。
技术指标
外形尺寸和安装示意
端子接线图
典型接线图
型号说明
例如:XGKF-DB-I-200A-380-M-A-W-Z是指用在额定电流在100A~200A之间的额定电压为380V三相异步电动机。带MODBUS通讯功能,模拟量输出、无源接点输入方式、直接启动控制功能的智能低压电动机保护控制器。